Накопительный септик Гринлос СП 3
Преимущества над конкурентами
Это уверенность в безотказности оборудования, даже при отключении электроэнергии, а также экономия денег! В отличие от септиков, оснащенных электрическим оборудованием (насосы и компрессоры), энергонезависимый септик СП 3 никогда не подведет, т. к. стоки перетекают через большие отверстия переливов, что исключает засоры и затопление станции.
Более прочный и стойкий по сравнению с другими видами пластика. Вам не нужно будет беспокоиться о целостности корпуса и заниматься его заменой септика со временем, поскольку стеклопластик не растрескивается от сдавливания и перепадов температур, а значит, надежно прослужит в течение ближайших 50-ти лет.
Конструкция и материалы изделия исключают появление трещин и разгерметизацию, что обеспечивает безопасность как для окружающей среды, так и для здоровья людей. Грунт и подземные воды вашего участка будут полностью защищены от загрязнений, что гарантирует отсутствие неприятных запахов и попадания вредных веществ в почву и воду.
Накопительный септик СП 3 служит не только резервуаром для стоков, в нем одновременно производится последовательная очистка с разделением на фракции. Возможно применение биоферментных препаратов, что повысит эффективность и скорость очистки, поэтому жидкие среды не задержатся в системе, а будут очищены и выведены в точку сброса за минимальное время.
Особенности
Накопительный септик ГРИНЛОС СП 3 — это энергонезависимый септик с залповым сбросом 150 л и производительностью 0.6 м3/сутки, что делает его подходящим для домов, в которых число жильцов не превышает 3 условных пользователей.
Отличительными особенностями Накопительного септика СП 3 являются: Тип сброса — самотечный. Это значит, что очищенная вода сливается по трубе, которая идет под наклоном в сторону точки сброса. Применить это решение можно при наличии дренажного колодца, глубокого оврага, поля фильтрации, где вода уходит в грунт и не застаивается. Высота корпуса — 1.2 м. Накопительный септик СП 3 подходит для монтажа во все виды почв: песок, глина, суглинок, грунты с высоким уровнем грунтовых вод.
Размеры
Конструкция Накопительный Гринлос СП 3 представляет собой цилиндр, выполненный из стеклопластика. Внутри цилиндр с помощью перегородок разделен на камеры, сообщающиеся между собой через отверстия для перелива.
- Длина септика составляет 1.5 м.
- Диаметр корпуса 1.2 м.
- Размеры Д*Ш*В 1.5*1.2*1.2 м.
- Регулируемая высота горловин может составлять до 2000 мм, что позволяет не зависеть от глубины залегания подводящей трубы.
- Диаметр крышки горловин 160 мм (самотечный вариант) или 315 мм - с возможностью установки насоса для принудительного отведения очищенных стоков.
- Диаметр входящей и выходящей труб стандартно 110 мм.
Документация
Принцип работы
Этап 1. Первичная очистка.
По канализационной трубе от дома сточные воды поступают в первый бак или отсек (первичный отстойник).
Здесь происходит грубая чистка от взвешенных крупных частиц. Тяжелые взвеси (песчинки и подобные нерастворимые включения стоков) оседают на дно камеры. Легкие фракции (жиры и масла) поднимаются на поверхность. Отстоявшиеся стоки из среднего уровня перетекают в следующий отсек - вторичный отстойник.
Этап 2. Разложение тяжелых частиц.
Опустившиеся на дно первой камеры отходы начинают бродить и разлагаться – продолжительность процесса около 3-х дней. В результате нечистоты распадаются на осадок, углекислый газ и воду.
Этап 3. Повторная очистка.
Во второй камере происходит повторное разложение нечистот. На данном этапе за счет действия специальных бактерий и препаратов распадаются химические (отходы средств личной гигиены) и органические соединения. Из вторичного отстойника жидкость перетекает в камеру чистой воды.
Этап 4. Камера чистой воды и отвод жидкости.
Дальнейший путь воды зависит от типа очистной системы. Очищенная жидкость проходит процесс доочистки через инфильтратор, дренажный колодец, поля для грунтовой фильтрации и т.п.
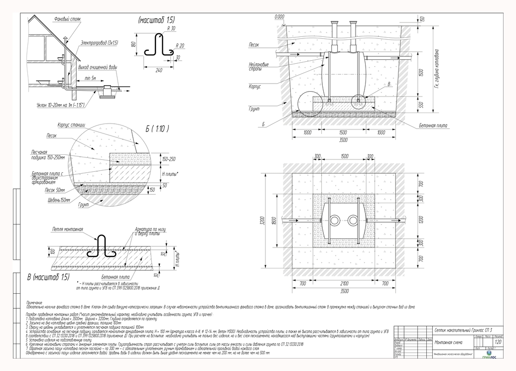
Монтаж септика Накопительный Гринлос СП 3
Выбор местоположения
Накопительный Гринлос СП 3 - энергонезависимый септик накопительного типа, поэтому его следует располагать на участке так, чтобы к нему мог беспрепятственно подъехать ассенизационный автомобиль. Над местом установки Накопительного септика СП 3 не допускается движение и стоянка автотранспорта в радиусе 2,5 м. В случае необходимости проезда автотранспорта или организации стоянки, над очистным сооружением и над подводящей и отводящей трассами следует оборудовать разгрузочную плиту.
При планировке участка для канализационной системы с накопительным септиком ГРИНЛОС СП 3 следует учитывать следующие рекомендации:
- защитный разрыв от дома не менее 5 м;
- расстояние от дороги и границы земельного участка не менее 5 м;
- защитный разрыв от водоема не менее 30 м;
- расстояние до ближайшего водозаборного пункта не менее 150 м.
Указанные расстояния носят рекомендательный характер. Точные размеры, на которые влияет в т. ч. грунт и рельеф земельного участка, определяются в каждом конкретном случае отдельно в процессе проектирования канализации.
Монтаж и установка
Рекомендуется доверить выбор и монтаж оборудования специализированной компании. Перед непосредственным монтажом Оборудования специалисты осуществляют подготовку котлована. Его размеры определяются конструктивными особенностями выбранной модели оборудования.
По боковым стенкам корпуса должно быть сохранено свободное расстояние до грунта не менее 300 мм. Дно котлована нуждается в более тщательной подготовке, на него укладывается слой щебня 150 мм + песчаная подушка над щебнем 100-150 мм. Пазухи котлована подвергают обратной засыпке при помощи песка, который послойно поливают водой. Прежде чем приступить к аналогичным работам, емкость оборудования на четверть заполняют водой. Впоследствии количество воды внутри емкости увеличивают соразмерно уровню засыпки песком наружных стенок. Засыпается котлован пескоцементом (пропорция 1:5) - послойно - каждый слой 300 мм уплотняется.
Поверх корпуса оборудования выполняется песчаная обсыпка на высоту 150-300 мм. Для подсоединения оборудования к внутренней канализационной магистрали применяют канализационные трубы, предназначенные для эксплуатации.
Уклон труб при создании трубопроводной сети должен неизменно составлять 2,5-3 см на каждый метр расстояния.
НЕДОПУСТИМО:
- заглубление в грунт на глубину свыше одного метра от верхнего края корпуса оборудования, если отсчет осуществляется от нулевой отметки грунта;
- применение строительной техники в процессе обратной засыпки оборудования;
- использование строительной техники для организации уплотнения грунта;
- использование колющих предметов, которые могут спровоцировать механическое повреждение емкости;
- передвигаться на транспорте в непосредственной близости от места проведения работ по установке оборудования.
Схемы монтажа:
Способы отвода очищенной воды
Монтаж с отводом стоков в инфильтратор. Пластиковые инфильтраторы подземного типа для доочистки и поглощения грунтом хозяйственно-бытовых, дождевых и ливневых стоков широко пользуются спросом при строительстве и организации полей фильтрации (поглощения).
Большая вместимость инфильтратора и простота монтажа способствует быстрому возведению полей фильтрации в загородном и промышленном строительстве. Инфильтраторы идеально сочетаются с любыми видами септиков, замыкая предварительную очистку стоков на эффективное "дренажное поле".
Монтаж с отводом очищенных сточных вод в поле для грунтовой фильтрации. Этот вариант позволит в значительной степени сэкономить место на участке, однако поле для грунтовой фильтрации в большей степени подвержен затоплению в условиях подъема грунтовых вод.
Монтаж с отводом очищенных сточных вод в дренажный колодец. Подходит для хорошо поглощающих грунтов (песок, супесь) и низком уровне грунтовых вод. Колодец поглощения может быть выполнен из бетонных колец или при помощи пластикового колодца с перфорированным основанием и стенками. При монтаже колодца поглощения на выпуск трубы рекомендуется смонтировать обратный клапан для защиты Накопительного септика Гринлос СП 3 от обратного затопления в периоды активного снеготаяния или в дождливое межсезонье. Непосредственно под выпуском отводящей трубы от септика рекомендуется смонтировать аварийный насос для дополнительной защиты Накопительный Гринлос СП 3 от обратного затопления из колодца поглощения.
Эксплуатация и обслуживание
Запрещается сброс в канализацию:
- строительного мусора, песка, цемента, извести, строительных смесей и прочих отходов строительства;
- нефтепродуктов, горюче-смазочных материалов, красок, растворителей, антифризов, кислот, щелочей, спирта и т. п.;
- промывных вод фильтров бассейна, содержащих дезинфицирующие компоненты (озон, активный хлор и им подобные);
- промывных (регенерационных) вод от установок подготовки и очистки воды с применением марганцево-кислого калия или других внешних окислителей;
- большого количества стоков после отбеливания белья хлорсодержащими препаратами («Персоль», «Белизна» и им подобные);
- лекарств и лекарственных препаратов;
- большого количества шерсти домашних животных;
- применение антисептических насадок с дозаторами на унитаз;
- применение биологических препаратов, предназначенных для очистки труб; применение биологических препаратов, предназначенных для интенсификации работы септиков и очистных сооружений.
Разрешается сброс в канализацию:
- мягкой, легко разлагающейся туалетной бумаги;
- стоков стиральных машин, при условии применения стиральных порошков без хлора;
- кухонных стоков с использованием моющих средств без хлора;
- душевых и банных стоков;
- небольшого количества средств для чистки унитазов, санфаянса и кухонного оборудования.
Консервация в случае сезонного использования
Консервация Накопительный Гринлос СП 3 необходима в том случае, если оборудование предназначено для сезонной эксплуатации и будет простаивать в течение длительного времени, а именно не менее трех месяцев.
Процедура консервации включает в себя несколько базовых этапов:
- Откачка скопившейся в емкостях жидкости поочередно при помощи фекального насоса и ассенизаторской машины, с последующим заполнением емкости чистой водой;
- Заполнение всех камер оборудования чистой водой до места расположения лотка входной трубы.
Похожие товары
Фотогалерея выполненных монтажей
Остались вопросы? Свяжитесь с нами!
Мы всегда готовы бесплатно проконсультировать по вопросам, связанным с продукцией Гринлос, а также помочь с выбором оптимальной модели септика для решения ваших задач.
