ГРИНЛОС Аэро 5
Цена: от 205 700 руб.
Купить в рассрочку 0%!Технические характеристики
Тип сброса:
Самотечный
Энергопотребление:
1.7 кВт/сут
Кол-во пользователей:
5 человек
Объем переработки:
1 м3/сут
Размер Д*Ш*В:
1200*1200*2000 мм
Залповый сброс:
440 л
Объем:
1.5 м3
Вес:
116 кг
Глубина врезки:
60 см
краны х2
туалеты х1
души/ванны х1
стиральные машины х1
Преимущества над конкурентами
В стандартную комплектацию септиков ГРИНЛОС уже входит биозагрузка, необходимая для тщательной переработки стоков.
Септики ГРИНЛОС ГРИНЛОС Аэро оснащены аэратором, нагнетающим воздух для размножения аэробных бактерий. Вместе с анаэробными бактериями в биозагрузке это позволяет добиться максимальной переработки стоков .
Станции очистки ГРИНЛОС обладают надежными грунтозацепами, действительно предотвращающими всплытие оборудования на обводненных участках.
В конструкции септиков ГРИНЛОС Аэро предусмотрен отдельный герметичный отсек, не совмещающийся с рабочими камерами. Предотвращает затопление электрооборудования при аварийных ситуациях.
Особенности
ГРИНЛОС Аэро 5 — это самотечная модель аэрационной установки биологической очистки с залповым сбросом 440 л и производительностью 1 м3/сутки, что делает его подходящим для домов, в которых число жильцов не превышает 5 условных пользователей.
Отличительными особенностями септика ГРИНЛОС Аэро 5 являются:
- Тип сброса — самотечный. Это значит, что очищенная вода сливается по трубе, которая идет под наклоном в сторону точки сброса. Применить это решение можно при наличии дренажного колодца, глубокого оврага, поля фильтрации, где вода уходит в грунт и не застаиваться.
- Высота корпуса — 2 м. Станция подходит для монтажа во все виды почв: песок, глина, суглинок, грунты с высоким уровнем грунтовых вод.
Модификации септика ГРИНЛОС Аэро 5
| Характеристики | ГРИНЛОС Аэро 5 | ГРИНЛОС Аэро 5 низкий корпус | ГРИНЛОС Аэро 5 Пр | ГРИНЛОС Аэро 5 низкий корпус Пр | ГРИНЛОС Аэро 5 Миди | ГРИНЛОС Аэро 5 Пр Миди | ГРИНЛОС Аэро 5 Лонг | ГРИНЛОС Аэро 5 Пр Лонг | ГРИНЛОС Аэро 5 Супер Лонг | ГРИНЛОС Аэро 5 Пр Супер Лонг |
|---|---|---|---|---|---|---|---|---|---|---|
| Тип сброса | Самотечный | Самотечный | Принудительный | Принудительный | Самотечный | Принудительный | Самотечный | Принудительный | Самотечный | Принудительный |
| Способ установки | стандартная | низкий корпус | с насосом | низкий корпус с насосом | удлиненная | удлиненная с насосом | удлиненная | удлиненная с насосом | удлиненная | удлиненная с насосом |
| Размер Д*Ш*В, мм | 1200*1200*2000 | 2000*1500*1200 | 1200*1200*2000 | 2000*1500*1200 | 1200*1200*2400 | 1200*1200*2400 | 1200*1200*2600 | 1200*1200*2600 | 1200*1200*2800 | 1200*1200*2800 |
| Вес, кг | 116 | 113 | 126 | 123 | 128 | 138 | 152 | 162 | 159 | 169 |
| Глубина залегания подводящей трубы, см |
60 | 60 | 60 | 60 | 100 | 100 | 120 | 120 | 140 | 140 |
| Цена | 205 700 руб. | 225 000 руб. | 212 800 руб. | 235 500 руб. | 234 000 руб. | 245 000 руб. | 264 000 руб. | 274 500 руб. | 271 000 руб. | 281 000 руб. |
Комплект поставки
- Корпус «Гринлос Аэро» (1 шт.)
- Крышка (1 шт.)
- Компрессор (1 шт.)
- Блок биозагрузки (1 шт.)
- Эрлифт (1 шт.)
- Эрлифт сбора пленок (1 шт.)
Эксплуатационная документация, в том числе:
- Технический паспорт «Гринлос Аэро»
- Сертификат соответствия ГОСТ Р ИСО 9001-2015 (ISO 9001:2005)
- Сертификат соответствия системе ГОСТ Р
- Декларация соответствия EAC
Размеры
Конструкция септика ГРИНЛОС Аэро 5 представляет из себя цилиндр с горловиной, выполненный из монолитного полипропилена. Внутри цилиндра с помощью перегородок выделены четыре камеры, последовательно сообщающиеся между собой через отверстия и патрубки в перегородках, расположенные на определенной высоте.
Подробнее о размерах станции:
- H1 — Полная высота септика составляет 2 м.
- H2 — Высота от верха крышки до центра подводящей трубы – 600 мм.
- H3 — Высота без горловины – 1500 мм.
- H4 — Высота крышки – 50 мм.
- D1 — Диаметр корпуса – 1.2 м.
- D2 — Диаметр крышки – 0.93 м.
- D3 вх/вых — Диаметры входящей и выходящей труб составляют 110/110 мм соответственно.
Возможно изготовление по индивидуальным размерам
Документация
Принцип работы
Станции биологической очистки ГРИНЛОС Аэро 5 предназначены для расщепления и переработки основных органических загрязнений, содержащихся в бытовых сточных водах. Эти процессы происходят в результате жизнедеятельности аэробных микроорганизмов, условия для жизнедеятельности которых создает ЛОС.
Естественный природный процесс в ГРИНЛОС Аэро 5 оптимизирован путем аэрации стоков и установки биофильтра (специального устройства, на котором образуется биопленка из микроорганизмов). Благодаря использованию двух видов ила – свободного и фиксированного, достигается более высокая степень очистки, удлиняется временной интервал планового обслуживания.
Создание этих условий требует обособленности процессов, разделения стоков по изолированным резервуарам и их последовательного перетекания.
Станция ГРИНЛОС Аэро 5 сконструирована таким образом, что все камеры, в которых происходит аэрация, разделение и осветление стоков объединены в одном корпусе цилиндрической или овальной формы.
СБО ГРИНЛОС Аэро 5 изготавливаются из вспененного первичного полипропилена. Корпус разделен на пять отсеков со специальными технологическими переливами. Перетекая из одного отстойника в другой, стоки последовательно проходят процессы усреднения, аэрации, отстаивания, нитрификации и денитрификации и осветления.
В первом отсеке (аэротенке) происходит аэрация стоков при помощи мелкопузырчатого аэратора. Насыщение воды кислородом воздуха является основой для биологического процесса переработки хозяйственно-бытовых стоков.
В процессе аэрации происходит разбиение крупных частиц на более мелкие, насыщение стоков кислородом, создание комфортных условий для жизнедеятельности аэробных микроорганизмов и бактерий. Благодаря аэрации, при поступлении стоков происходит постепенное образование из субстрата хлопьев активного ила.
Далее, через расположенное на заданной высоте технологическое отверстие обогащенные кислородом стоки перетекают во вторую камеру (биореактор), где расположена синтетическая инертная загрузка, которая служит для образования иммобилизованного ила, способствующего увеличению окислительной способности и нитрификации активного ила.
Применение фиксированного активного ила обеспечивает его высокую концентрацию в биореакторе, увеличение производительности Станции биологической очистки на 30%, улучшает процесс переработки стоков от трудно окисляемых органических веществ, повышает устойчивость к залповым сбросам, стимулирует процесс нитрификации.
Регенерация биозагрузки (смывание отмершего ила) осуществляется при помощи крупнопузырчатой аэрации. Объем подаваемого для регенерации воздуха регулируется краном. Затем удаленный с загрузки ил посредством эрлифта возвращается во вторую камеру.
В третьей камере посредством анаэробных процессов происходит процесс нитрификации и денитрификации стоков, с выделением молекулярного азота. При помощи эрлифта происходит сбор и возврат в биореактор неразложившихся жировых пленок.
Из третьей камеры, после многочисленных циклов переработки , чистая техническая вода, через специальный перелив – успокоитель попадает в пятый, финишный отсек, откуда, в зависимости от модели (самотечная или принудительная) выводится наружу (на грунт, в дренажную или ливневую канаву и т.д.). Неразложившиеся остатки ила, осевшие на дне, эрлифтом подается в иловый стабилизатор. При принудительном варианте отвода стоков дренажный насос располагается выше уровня забора стоков эрлифтом.

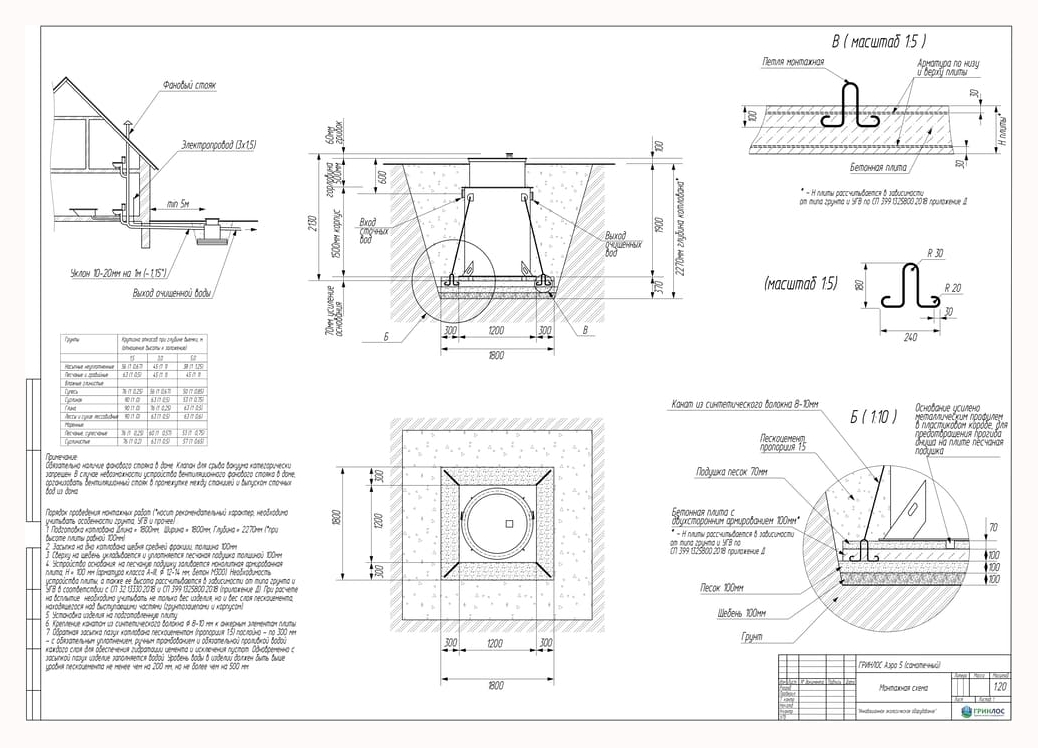
Монтаж септика ГРИНЛОС Аэро 5
- Выбор местоположения
Оборудование следует рассматривать в качестве составной части системы водоотведения. Оно может быть рассчитано на обслуживание одного или нескольких индивидуальных жилых домов. В ходе проектирования системы водоотведения следует принимать во внимание несколько ключевых особенностей территории, на которой запланирована установка оборудования.
К таковым относят:
- состав почвы;
- уровень прохождения грунтовых вод и его возможные колебания
- специфику рельефа местности;
- удаленность от различных водозаборных сооружений;
- погодно-климатические особенности данного региона.
Перед непосредственным монтажом Оборудования специалисты осуществляют подготовку котлована. Его размеры определяются конструктивными особенностями выбранной модели оборудования. Ознакомиться с данными параметрами можно в приложении к ПС.
- Монтаж и установка
Целесообразно доверить выбор и монтаж оборудования специализированной компании. Перед непосредственным монтажом Оборудования специалисты осуществляют подготовку котлована. Его размеры определяются конструктивными особенностями выбранной модели оборудования. Ознакомиться с данными параметрами можно в приложении к ПС. По боковым стенкам корпуса должно быть сохранено свободное расстояние до грунта не менее 250 мм. Дно котлована нуждается в более тщательной подготовке. Его подвергают выравниванию с последующей засыпкой слоем песка, обладающим толщиной в пределах 10-15 см. Пазухи котлована подвергают обратной засыпке при помощи песка, который послойно поливают водой. Прежде чем приступить к аналогичным работам, емкость оборудования на четверть заполняют водой. Впоследствии количество воды внутри емкости увеличивают соразмерно уровню засыпки песком наружных стенок. Каждые 200 мм песка подвергаются ручному уплотнению.
Поверх корпуса оборудования выполняется песчаная обсыпка на высоту 150-300 мм. Для подсоединения оборудования к внутренней канализационной магистрали применяют канализационные трубы, предназначенные для эксплуатации.
Уклон труб при создании трубопроводной сети должен неизменно составлять 2,5-3 см на каждый метр расстояния.
Недопустимо:
- заглубление в грунт на глубину свыше одного метра от верхнего края корпуса оборудования, если отсчет осуществляется от нулевой отметки грунта;
- применение строительной техники в процессе обратной засыпки оборудования;
- использование строительной техники для организации уплотнения грунта;
- использование колющих предметов, которые могут спровоцировать механическое повреждение емкости;
- передвигаться на транспорте в непосредственной близости от места проведения работ по установке оборудования.
Схемы монтажа:
Способы отвода очищенной воды
Монтаж с отводом стоков в инфильтратор. Пластиковые инфильтраторы подземного типа для доочистки и поглощения грунтом хозяйственно-бытовых, дождевых и ливневых стоков широко пользуются спросом при строительстве и организации полей фильтрации (поглощения).
Большая вместимость инфильтратора и простота монтажа способствует быстрому возведению полей фильтрации в загородном и промышленном строительстве. Инфильтраторы идеально сочетаются с любыми видами септиков, замыкая предварительную очистку стоков на эффективное "дренажное поле".
Монтаж с самотечным отводом очищенных сточных вод в дренажную канаву. Подходит для хорошо впитывающих грунтов (песок, супесь) и низком уровне грунтовых вод. При выборе данного способа водоотведения необходимо обеспечить свободное отведение очищенной воды от выпуска трубопровода, необходимо полностью исключить под-топление выпуска. В противном случае, в летний период, трубопровод будет заиливаться и засоряться, а Станция будет подвержена обратному затоплению водами с точки сброса. В зимний период, трубопровод и точка сброса будут промерзать. Такие условия работы оборудования приведут к аварии.
Монтаж с отводом очищенных сточных вод в дренажный элемент. Этот вариант позволит в значительной степени сэкономить место на участке, однако дренажный элемент в большей степени подвержен затоплению в условиях подъема грунтовых вод.
Монтаж с отводом очищенных сточных вод в фильтрующий колодец. Подходит для хорошо поглощающих грунтов (песок, супесь) и низком уровне грунтовых вод. Колодец поглощения может быть выполнен из бетонных колец или при помощи пластикового колодца с перфорированным основанием и стенками. При монтаже колодца поглощения на выпуск трубы рекомендуется смонтировать обратный клапан для защиты Станции от обратного затопления в периоды активного снеготаяния или в дождливое межсезонье. Непосредственно под выпуском отводящей трубы от Станции, рекомендуется смонтировать аварийный насос, для дополнительной защиты Станции от обратного затопления из колодца поглощения.
Эксплуатация и обслуживание
Запрещается сброс в канализацию:
- строительного мусора, песка, цемента, извести, строительных смесей и прочих отходов строительства;
- нефтепродуктов, горюче-смазочных материалов, красок, растворителей, антифризов, кислот, щелочей, спирта и т. п.;
- промывных вод фильтров бассейна, содержащих дезинфицирующие компоненты (озон, активный хлор и им подобные);
- промывных (регенерационных) вод от установок подготовки и очистки воды с применением марганцево-кислого калия или других внешних окислителей;
- большого количества стоков после отбеливания белья хлорсодержащими препаратами («Персоль», «Белизна» и им подобные);
- лекарств и лекарственных препаратов;
- большого количества шерсти домашних животных;
- применение антисептических насадок с дозаторами на унитаз;
- применение биологических препаратов, предназначенных для очистки труб; применение биологических препаратов, предназначенных для интенсификации работы септиков и очистных сооружений.
Разрешается сброс в канализацию:
- мягкой, легко разлагающейся туалетной бумаги;
- стоков стиральных машин, при условии применения стиральных порошков без хлора;
- кухонных стоков с использованием моющих средств без хлора;
- душевых и банных стоков;
- небольшого количества средств для чистки унитазов, санфаянса и кухонного оборудования.
Консервация в случае сезонного использования
Если оборудование предназначено для сезонной эксплуатации и будет простаивать в течение длительного времени. Консервация необходима в том случае, если устройство будет простаивать не менее трех месяцев.
Процедура консервации включает в себя несколько базовых этапов:
- Отключение насосного оборудования от сети электроснабжения;
- Отсоединение патрубков и демонтаж насоса, обеспечивающего принудительный сброс нечистот из третьей камеры (для моделей Аква Пр);
- Откачка скопившейся в емкостях жидкости поочередно при помощи фекального насоса и ассенизаторской машины, с последующим заполнением емкости чистой водой;
- Заполнение всех камер оборудования чистой водой до места расположения лотка входной трубы.
Похожие товары
Фотогалерея выполненных монтажей
Остались вопросы? Свяжитесь с нами!
Мы всегда готовы бесплатно проконсультировать по вопросам, связанным с продукцией Гринлос, а также помочь с выбором оптимальной модели септика для решения ваших задач.



