Гринлос Аэро Лайт 5 Пр Миди
Цена: от 183 700 руб.
Купить в рассрочку 0%!Технические характеристики
Тип сброса:
Принудительный
Кол-во пользователей:
5 человек
Объем переработки:
0.9 м3/сут
Размер Д*Ш*В:
930*930*2470 мм
Залповый сброс:
240 л
Объем:
2.48 м3
Вес:
111 кг
Глубина врезки:
100 см
Размер основания:
1000*1000 мм
краны х3
туалеты х2
души/ванны х1
стиральные машины х1
Преимущества над конкурентами
В отличие от конкурентов, в септике Гринлос Аэро Лайт 5 Пр Миди установлен короб с электрооборудованием, который гарантированно не подвержен затоплению.
Септики ГРИНЛОС ГРИНЛОС Аэро Лайт оснащены аэратором, нагнетающим воздух для размножения аэробных бактерий. Вместе с анаэробными бактериями в биозагрузке это позволяет добиться максимальной переработки стоков.
Станции очистки Гринлос Аэро Лайт 5 Пр Миди обладают надежными грунтозацепами, действительно предотвращающими всплытие оборудования на обводненных участках.
В конструкции септиков Гринлос Аэро Лайт 5 Пр Миди предусмотрен отдельный герметичный отсек, не совмещающийся с рабочими камерами. Предотвращает затопление электрооборудования при аварийных ситуациях.
ГРИНЛОС Аэро Лайт представляет собой единый корпус без различия между диаметрами горловины и корпуса.
В сравнении с аналогом из серии Аэро, модель Гринлос Аэро Лайт 5 Пр Миди выступает менее затратной в изготовлении и эксплуатации.
Особенности
Гринлос Аэро Лайт 5 Пр Миди — это самотечная модель аэрационной установки биологической переработки с залповым сбросом 240 л и производительностью 0.9 м3/сутки, что делает его подходящим для домов, в которых число жильцов не превышает 5 условных пользователей.
Отличительными особенностями септика Гринлос Аэро Лайт 5 Пр Миди являются:
Тип сброса — самотечный. Это значит, что очищенная вода сливается по трубе, которая идет под наклоном в сторону точки сброса. Применить это решение можно при наличии дренажного колодца, глубокого оврага, поля фильтрации, где вода уходит в грунт и не застаиваться.
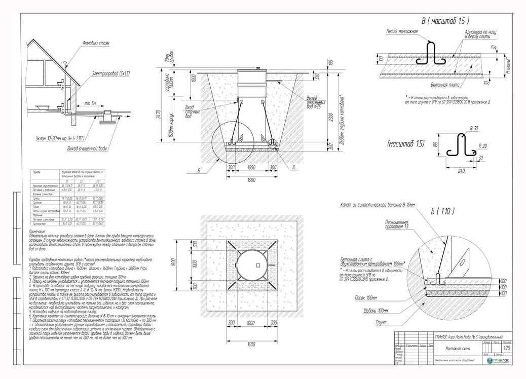
Высота корпуса Гринлос Аэро Лайт 5 Пр Миди — 2.47 м, а врезка подводящей трубы осуществляется на глубине до 100 см. Станция подходит для монтажа во все виды почв: песок, глина, суглинок, грунты с высоким уровнем грунтовых вод.
Модификации септика Гринлос Аэро Лайт 5 Пр Миди
| Характеристики | Гринлос Аэро Лайт 5 | Гринлос Аэро Лайт 5 Пр | Гринлос Аэро Лайт 5 Миди | Гринлос Аэро Лайт 5 Пр Миди | Гринлос Аэро Лайт 5 Лонг | Гринлос Аэро Лайт 5 Пр Лонг | Гринлос Аэро Лайт 5 НК Лонг | Гринлос Аэро Лайт 5 Пр НК Лонг | Гринлос Аэро Лайт 5 Пр НК Миди | Гринлос Аэро Лайт 5 НК | Гринлос Аэро Лайт 5 Пр Нк | Гринлос Аэро Лайт 5 НК Миди |
|---|---|---|---|---|---|---|---|---|---|---|---|---|
| Тип сброса | Самотечный | Принудительный | Самотечный | Принудительный | Самотечный | Принудительный | Самотечный | Принудительный | Принудительный | Самотечный | Принудительный | Самотечный |
| Способ установки | стандартная | стандартная с насосом | удлиненная | удлиненная с насосом | удлиненная | удлиненная с насосом | низкий корпус, удлиненная горловина | низкий корпус с насосом, удлиненная горловина | низкий корпус с насосом, удлиненная горловина | низкий корпус | низкий корпус с насосом | низкий корпус, удлиненная горловина |
| Размер Д*Ш*В, мм | 930*930*2070 | 930*930*2070 | 930*930*2470 | 930*930*2470 | 930*930*2670 | 930*930*2670 | 1400*1200*1670 | 1400*1200*1670 | 1400*1200*1470 | 1400*1200*1070 | 1400*1200*1070 | 1400*1200*1470 |
| Вес, кг | 92 | 92 | 111 | 111 | 122 | 122 | 61 | 66 | 63 | 58 | 63 | 58 |
| Глубина залегания подводящей трубы, см |
60 | 60 | 100 | 100 | 120 | 120 | 90 | 90 | 70 | 30 | 30 | 70 |
| Цена | 173 000 руб. | 183 000 руб. | 177 000 руб. | 183 700 руб. | 188 100 руб. | 198 000 руб. | 179 000 руб. | 188 000 руб. | 175 000 руб. | 148 000 руб. | 161 000 руб. | 165 000 руб. |
Комплект поставки
- Корпус «Гринлос Аэро Лайт 5 Пр Миди» (1 шт.)
- Крышка (1 шт.)
- Компрессор (1 шт.)
- Эрлифт (2 шт.)
- Эрлифт сбора пленок (1 шт.)
- Устройство перемешивания (1 шт.)
- Дренажный насос (1 шт.)
Эксплуатационная документация, в том числе:
- Технический паспорт «Гринлос Аэро Лайт»
- Сертификат соответствия ГОСТ Р ИСО 9001-2015 (ISO 9001:2005)
- Сертификат соответствия системе ГОСТ Р
- Декларация соответствия EAC
Документация
Размеры
Конструкция септика Гринлос Аэро Лайт 5 Пр Миди представляет из себя цилиндр, выполненный из монолитного полипропилена. Внутри цилиндра с помощью перегородок выделены четыре камеры, последовательно сообщающиеся между собой через отверстия и патрубки в перегородках, расположенные на определенной высоте.
Подробнее о размерах станции:
- H1 — Полная высота септика составляет 2.47 м.
- H2 — Высота крышки – 50 мм.
- D1 — Диаметр корпуса – 0.93 м.
- D2 — Диаметр крышки – 0.93 м.
- D3 вх/вых — Диаметры входящей и выходящей труб составляют 110/25 мм.
Возможно изготовление по индивидуальным размерам!
Принцип работы
Станции Биологической Очистки Гринлос Аэро Лайт 5 Пр Миди предназначены для расщепления и переработки основных органических загрязнений, содержащихся в бытовых сточных водах. Эти процессы происходят в результате жизнедеятельности аэробных и анаэробных микроорганизмов, условия для жизнедеятельности которых создает септик.
Станция Гринлос Аэро Лайт 5 Пр Миди сконструирована таким образом, что все камеры, в которых происходит аэрация, разделение и осветление стоков объединены в одном корпусе цилиндрической формы.
- В первом отсеке (аэротенке) происходит аэрация стоков при помощи мелкопузырчатого аэратора. Насыщение воды кислородом воздуха является основой для биологического процесса переработки хозяйственно-бытовых стоков.
- Далее, через расположенное на заданной высоте технологическое отверстие обогащенные кислородом стоки перетекают во второю, анаэробную камеру. Во второй камере также размещено устройство перемешивания, для предотвращения возникновения зон застоя и разбиения поверхностных пленок из твердых жиров.
- Иловый отстойник в септике Гринлос Аэро Лайт 5 Пр Миди служит для сбора омертвевшего ила, оседающего на дно, при этом активный ил из верхнего слоя через специальный перелив возвращается в первую камеру, сразу вступая во взаимодействие с поступающими стоками.
- По мере заполнения отстойника омертвевшим илом и минеральным осадком необходимо откачать его дренажным насосом. Периодичность откачки илового отстойника определяется пользователем в процессе эксплуатации изделия, но не реже одного раза в год.
- Далее, после многочисленных циклов переработки, чистая техническая вода, через специальный перелив – успокоитель попадает в камеру чистой воды, откуда, в зависимости от модели (самотечная или принудительная) выводится наружу (на грунт, в дренажную или ливневую канаву и т.д.). Неразложившиеся остатки ила, осевшие на дне, эрлифтом подается в иловый отстойник. При принудительном варианте отвода стоков дренажный насос располагается выше уровня забора стоков эрлифтом.
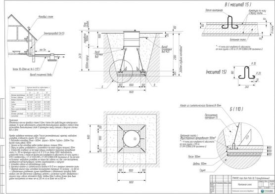
Монтаж септика Гринлос Аэро Лайт 5 Пр Миди
-
Выбор местоположения
Гринлос Аэро Лайт 5 Пр Миди следует рассматривать в качестве составной части системы водоотведения. Станция может быть рассчитана на обслуживание одного или нескольких индивидуальных жилых домов. В ходе проектирования системы водоотведения следует принимать во внимание несколько ключевых особенностей территории, на которой запланирована установка оборудования.
К таковым относят:
- состав почвы;
- уровень прохождения грунтовых вод и его возможные колебания
- специфику рельефа местности;
- удаленность от различных водозаборных сооружений;
- погодно-климатические особенности данного региона.
Перед непосредственным монтажом Гринлос Аэро Лайт 5 Пр Миди специалисты осуществляют подготовку котлована. Его размеры определяются конструктивными особенностями выбранной модели оборудования. Ознакомиться с данными параметрами можно в приложении к ПС.
-
Монтаж и установка
Целесообразно доверить выбор и монтаж септика Гринлос Аэро Лайт 5 Пр Миди специализированной компании. Перед непосредственным монтажом станции специалисты осуществляют подготовку котлована. Его размеры определяются конструктивными особенностями выбранной модели изделия. Ознакомиться с данными параметрами можно в приложении к ПС. По боковым стенкам корпуса должно быть сохранено свободное расстояние до грунта не менее 250 мм. Дно котлована нуждается в более тщательной подготовке. Его подвергают выравниванию с последующей засыпкой слоем песка, обладающим толщиной в пределах 10-15 см. Пазухи котлована подвергают обратной засыпке при помощи песка, который послойно поливают водой. Прежде чем приступить к аналогичным работам, станцию на четверть заполняют водой. Впоследствии количество воды внутри септика увеличивают соразмерно уровню засыпки песком наружных стенок. Каждые 200 мм песка подвергаются ручному уплотнению.
Поверх корпуса Гринлос Аэро Лайт 5 Пр Миди выполняется песчаная обсыпка на высоту 150-300 мм. Для подсоединения оборудования к внутренней канализационной магистрали применяют канализационные трубы, предназначенные для эксплуатации.
Уклон труб при создании трубопроводной сети должен неизменно составлять 2,5-3 см на каждый метр расстояния.
Недопустимо:
- заглубление в грунт на глубину свыше одного метра от верхнего края корпуса септика, если отсчет осуществляется от нулевой отметки грунта;
- применение строительной техники в процессе обратной засыпки оборудования;
- использование строительной техники для организации уплотнения грунта;
- использование колющих предметов, которые могут спровоцировать механическое повреждение станции;
- передвигаться на транспорте в непосредственной близости от места проведения работ по установке оборудования.
Схемы монтажа:
Похожие товары
Фотогалерея выполненных монтажей
Остались вопросы? Свяжитесь с нами!
Мы всегда готовы бесплатно проконсультировать по вопросам, связанным с продукцией Гринлос, а также помочь с выбором оптимальной модели септика для решения ваших задач.
